DIAGNOSTIC : QUAND LE BUS FAIT GRÈVE

De GCE Electronics
Aller à la navigation Aller à la recherche

Introduction

Quand le bus fait grève...

Bus panne.png
Nom Quand le bus fait grève...
Famille IPX800/EDRT
Wiki créé le 02/02/2025
Wiki mis à jour le 01/10/2025
Auteur @grocrabe

Il vous arrive peut-être de constater un des symptômes suivant : bien qu'elle soit connectée sur le bus, vous n'arrivez pas à envoyer une commande à une extension, ou vous y arrivez mais vous n'avez pas de retour dans l'IHM. Ou encore, lorsque vous branchez une extension les autres n'arrivent plus à communiquer.

Une fois que vous avez mis l'IHM de l'IPX ou de l'EcoDevice hors de cause (voir ce wiki), le constat est simple : vous vous trouvez face à une grève du bus.

Avant d'ouvrir un ticket sur le HelpDesk, voici quelques points à vérifier.

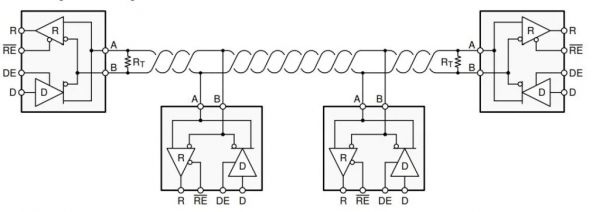
Le principe du bus EBX

La couche matérielle du bus EBX est du type RS485 Half Duplex. Il utilise les 2 fils d'une paire torsadée.

Chaque module, qu'il soit maître (IPX, EcoDevice) ou esclave (les extensions) connecté au bus possède deux buffers, un en écriture, un en lecture qui fonctionnent alternativement; l’extension écoute le bus ou parle sur le bus:

Rs485.jpeg

Ce schéma technique se traduit ainsi avec les produits GCE.

BusChaine.png




Un câblage dans les règles

Commencez par vérifier que vous suivez bien les préconisations de GCE pour un bus fiable :

  • il ne doit y avoir qu'un seul maître sur le bus, IPX et/ou EcoDevice ,
  • bien chainer les extensions, l'une après l'autre sur le bus. Si vous devez faire un câblage en étoile, utilisez un Switch EBX, voir ce wiki pour sa mise en œuvre,
  • chaque branche du bus ne doit pas dépasser 300m et accepte un maximum de 32 extensions,
  • bien respecter la polarité du bus, bornes Bus + reliées ensemble, bornes Bus - reliées ensemble,
  • utilisez une paire torsadée d'un câble blindé, un câble ethernet Cat5 suffit,
  • mettez le blindage à la terre, uniquement coté tableau, surtout ne pas faire de boucle, c'est dangereux et interdit par la NFC 15100. Voir ici un exemple de mise en œuvre.
  • pour éviter la transmission des parasites séparez le plus possible le bus des câbles transportant le 230V. Voir ici un exemple de mise en œuvre.

Les symptômes d'un bus malade

Le bus fonctionne de façon aléatoire ou ralentie

  • les connexions peuvent être desserrées ou oxydées,
  • il y a un contact entre les fils du bus et le Gnd ou la terre,
  • le blindage n'est pas relié à la terre ou relié à la terre aux 2 extrémités,
  • il y a une importante source de parasites à proximité du bus.

Le bus ne fonctionne pas du tout

  • les inversions; le bus est polarisé, une inversion entre le Bus+ et le Bus- empêchera la communication,
  • un câble abimé; il peut arriver que le câble soit écrasé ou percé par une vis sur son parcours.
  • une extension bloque le bus, les déconnecter

Le bus ne fonctionne que dans un sens

Un incident électrique sur le bus, orage, contact avec le secteur... peut endommager un buffer, soit dans l'IPX, soit dans une extension.

Si seul un des buffers a été endommagé et que l’autre continue de fonctionner, le bus ne communique plus que dans un sens entre l’IPX et l’extension.

  • si le buffer endommagé est mort il n’affecte que l’extension dans laquelle il est,
  • si il est en court-circuit, il affecte tout le bus.

Les solutions logicielles

Si une extension n'est pas accessible sur le bus, il peut s'avérer que ce soit un problème de déclaration au niveau du logiciel de l'IPX.

  • le N° série; on peut faire une erreur de saisie en déclarant l'extension, par ex un O à la place d'un 0,
  • une version logicielle compatible; il peut arriver que la version installée soit antérieure à la date de sortie de l'extension. GCE a fait évoluer certaines extensions qui existent donc en Version1 , Version2, ... . Vérifiez, quand vous déclarez votre extension, que vous avez bien indiqué la version de celle-ci (slider en bas des captures):

Version 8R-VR.png

  • Lorsque vous faites une MàJ du logiciel de l'IPX, vérifiez bien que toutes les collections d'extensions soient à jour. Pour vérifier; Système → onglet Mémoire. Si vous voyez une petite icône recyclage rouge, du style de celle sur l’image ci-après, cliquez dessus.

Recyclage.png

Les solutions matérielles

Le bus fonctionne de façon aléatoire ou ralentie

Si votre câblage ne présente aucun de défauts cités ci-dessus, vous pouvez essayer de mettre une résistance de terminaison. Elle a pour effet de réduire les réflexions du signal sur le bus.

C'est une simple résistance de 120Ω , sa puissance n'a pas d'importance, utilisez ce que vous avez de disponible. Par contre son emplacement est critique : il faut impérativement la mettre aux bornes de la toute dernière extension sur le bus. La mettre a un autre endroit altèrera le signal du bus.

Le bus ne fonctionne pas du tout ou dans un seul sens

Débranchez toutes les extensions une après l'autre en testant le fonctionnement du bus à chaque étape.

Lorsque, en débranchant une extension, le bus refonctionne, rebranchez toutes les extensions avant celle-ci. Si sans cette seule extension le bus fonctionne, vous tenez potentiellement la coupable. Pour confirmer testez la seule sur l'IPX avec un câble court puis seule sur le bus tableau. Vous saurez alors si elle est en panne ou si sa connexion sur le bus tableau a un problème.

Si vous n'avez trouvé aucune extension défaillante, alors le problème vient de l'IPX et/ou EcoDevice .